Плоский цилиндрический привод серии TNC

Плоский цилиндрический привод серии TNC является очень промышленным приводом и может применяться в любых производственных целях. Наличие дополнительных опций позволяют агрегату легко адаптироваться под технические условия заказчика. Изготавливаются мотор-редукторы из прочных материалов на современном производстве компанией TOS-ZNOJMO в Чехии.
Цена: по запросу заказчика
Схема типового обозначения
TNC53-71-20-4.0-1-1
TNC - серия;
5 - типоразмер;
3 - количество ступеней;
71 - передаточное число;
20 - частота вращения выходного вала, об/мин;
4,0 - мощность электродвигателя, кВт.
Общее описание:
Без использования электродвигателей возможны следующие варианты устройств:
- Входной цилиндрический вал, отсутствие установленного двигателя, фланец IM 3641 FT ** (OM B14 FT ***);
- Фланец меньшего размера В14 без двигателя с фланцем IM 3641 FT ** (IM B14 FT ** );
- Фланец большего размера В14 без двигателя с фланцем IM 3041 (IM B5)
1 - исполнение без фланца крепежного типа (2 - исполнение с фланцем);
1 - монтажная позиция.
![]() |
![]() |
![]() |
![]() |
![]() |
![]() |
Максимальные значения мощности
|
Значения номинальной мощности для коэффициента Sm= 1 при n1= 1400 мин-1 |
||||
|---|---|---|---|---|
|
Тип |
Передаточное отношение i |
Обороты |
Мак. выходной крутящий |
Макс. мощность на |
|
TNC 12 |
7,2 |
194 |
84 |
1,80 |
|
8,0 |
175 |
78 |
1,50 |
|
|
9,1 |
154 |
71 |
1,21 |
|
|
11,1 |
126 |
65 |
0,90 |
|
|
12,9 |
109 |
63 |
0,75 |
|
|
14,8 |
95 |
173 |
1,80 |
|
|
16,6 |
84 |
161 |
1,50 |
|
|
18,8 |
74 |
147 |
1,21 |
|
|
22,9 |
61 |
134 |
0,90 |
|
|
26,7 |
52 |
130 |
0,75 |
|
|
TNC 13 |
31,4 |
45 |
147 |
0,72 |
|
35,2 |
40 |
164 |
0,72 |
|
|
39,7 |
35 |
170 |
0,66 |
|
|
48,5 |
29 |
189 |
0,60 |
|
|
52,2 |
27 |
186 |
0,55 |
|
|
56,4 |
25 |
190 |
0,52 |
|
|
61,1 |
23 |
190 |
0,48 |
|
|
71,0 |
20 |
189 |
0,41 |
|
|
79,5 |
18 |
196 |
0,38 |
|
|
89,8 |
16 |
204 |
0,35 |
|
|
109,8 |
13 |
213 |
0,30 |
|
|
127,5 |
11 |
215 |
0,26 |
|
|
138,3 |
10 |
224 |
0,25 |
|
|
TNC 22 |
6,2 |
226 |
157 |
3,90 |
|
7,0 |
200 |
177 |
3,90 |
|
|
8,1 |
173 |
189 |
3,60 |
|
|
9,3 |
151 |
199 |
3,30 |
|
|
10,9 |
128 |
212 |
3,00 |
|
|
11,1 |
126 |
281 |
3,90 |
|
|
12,6 |
111 |
294 |
3,60 |
|
|
13,0 |
108 |
222 |
2,64 |
|
|
14,4 |
97 |
287 |
3,08 |
|
|
16,6 |
84 |
284 |
2,64 |
|
|
19,5 |
72 |
278 |
2,20 |
|
|
23,2 |
60 |
271 |
1,80 |
|
|
TNC 23 |
30,4 |
46 |
355 |
1,80 |
|
34,6 |
40 |
348 |
1,55 |
|
|
39,6 |
35 |
367 |
1,43 |
|
|
45,8 |
31 |
359 |
1,21 |
|
|
53,6 |
26 |
340 |
0,98 |
|
|
63,8 |
22 |
343 |
0,83 |
|
|
71,9 |
19 |
349 |
0,75 |
|
|
81,7 |
17 |
371 |
0,70 |
|
|
93,5 |
15 |
370 |
0,61 |
|
|
108,2 |
13 |
386 |
0,55 |
|
|
126,7 |
11 |
394 |
0,48 |
|
|
150,9 |
9 |
401 |
0,41 |
|
|
TNC 32 |
4,6 |
304 |
295 |
9,90 |
|
5,3 |
264 |
321 |
9,35 |
|
|
6,1 |
230 |
326 |
8,25 |
|
|
7,2 |
194 |
334 |
7,15 |
|
|
8,5 |
165 |
485 |
8,80 |
|
|
9,8 |
143 |
489 |
7,70 |
|
|
11,4 |
123 |
488 |
6,60 |
|
|
13,4 |
104 |
478 |
5,50 |
|
|
TNC 33 |
25,5 |
55 |
661 |
4,00 |
|
29,1 |
48 |
622 |
3,30 |
|
|
33,5 |
42 |
621 |
2,86 |
|
|
38,9 |
36 |
610 |
2,42 |
|
|
45,8 |
31 |
623 |
2,10 |
|
|
54,8 |
26 |
639 |
1,80 |
|
|
60,1 |
23 |
428 |
1,10 |
|
|
68,6 |
20 |
489 |
1,10 |
|
|
78,9 |
18 |
562 |
1,10 |
|
|
91,7 |
15 |
654 |
1,10 |
|
|
107,8 |
13 |
734 |
1,05 |
|
|
128,9 |
11 |
752 |
0,90 |
|
|
154,8 |
9 |
752 |
0,75 |
|
|
TNC 42 |
4,4 |
318 |
359 |
12,60 |
|
4,9 |
286 |
359 |
11,30 |
|
|
5,6 |
250 |
374 |
10,30 |
|
|
6,8 |
206 |
383 |
8,70 |
|
|
7,9 |
177 |
415 |
8,10 |
|
|
9,2 |
152 |
411 |
6,90 |
|
|
9,9 |
141 |
808 |
12,60 |
|
|
10,1 |
139 |
412 |
6, 30 |
|
|
11,1 |
126 |
813 |
11,30 |
|
|
12,6 |
111 |
841 |
10,30 |
|
|
15,4 |
91 |
868 |
8,70 |
|
|
17,8 |
79 |
934 |
8,10 |
|
|
20,9 |
67 |
935 |
6,90 |
|
|
22,9 |
61 |
935 |
6,30 |
|
|
TNC 43 |
30,9 |
45 |
1211 |
6,05 |
|
34,7 |
40 |
1304 |
5,80 |
|
|
39,2 |
36 |
1321 |
5,20 |
|
|
47,9 |
29 |
1242 |
4,00 |
|
|
55,5 |
25 |
1295 |
3,60 |
|
|
65,2 |
21 |
1301 |
3,08 |
|
|
71,1 |
20 |
1216 |
2,64 |
|
|
79,8 |
18 |
1319 |
2,55 |
|
|
90,2 |
16 |
1403 |
2,40 |
|
|
110,2 |
13 |
1393 |
1,95 |
|
|
127,7 |
11 |
1448 |
1,75 |
|
|
150,1 |
9 |
1459 |
1,50 |
|
|
164,0 |
9 |
1403 |
1,32 |
|
|
TNC 52 |
4,5 |
311 |
519 |
18,70 |
|
5,3 |
264 |
602 |
18,70 |
|
|
6,0 |
233 |
634 |
17,60 |
|
|
7,4 |
189 |
691 |
15,40 |
|
|
8,6 |
163 |
746 |
14,30 |
|
|
9,3 |
151 |
757 |
13,20 |
|
|
10,2 |
137 |
761 |
12,10 |
|
|
11,0 |
127 |
1268 |
18,70 |
|
|
13,1 |
107 |
1489 |
18,70 |
|
|
14,8 |
95 |
1585 |
17,60 |
|
|
18,2 |
77 |
1728 |
15,40 |
|
|
21,1 |
66 |
1860 |
14,30 |
|
|
25,1 |
56 |
1872 |
12,10 |
|
|
TNC 53 |
31,1 |
45 |
2267 |
11,25 |
|
37,0 |
38 |
2345 |
9,78 |
|
|
41,9 |
33 |
2349 |
8,65 |
|
|
51,4 |
27 |
2498 |
7,50 |
|
|
59,9 |
23 |
2562 |
6,60 |
|
|
65,1 |
22 |
2578 |
6,11 |
|
|
71,0 |
20 |
2618 |
5,69 |
|
|
79,0 |
18 |
2176 |
4,25 |
|
|
94,0 |
15 |
2498 |
4,10 |
|
|
106,5 |
13 |
2761 |
4,00 |
|
|
130,7 |
11 |
2820 |
3,33 |
|
|
152,2 |
9 |
2959 |
3,00 |
|
|
165,3 |
8 |
2924 |
2,73 |
|
|
180,4 |
8 |
2923 |
2,50 |
|
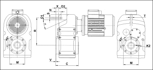
Габаритные и присоединительные размеры

|
A |
A1 |
A2 |
B |
P |
L |
I |
G |
H |
AB |
C |
C1 |
C2 |
C3 |
K1 |
|
|---|---|---|---|---|---|---|---|---|---|---|---|---|---|---|---|
|
TNC 1_ |
31 |
- |
115 |
77 |
20 |
156 |
112 |
248 |
74,5 |
165 |
122 |
63-34 |
105 |
61 |
M8x18 |
|
TNC 2_ |
43 |
- |
145 |
93 |
28 |
192 |
131 |
272 |
80 |
180 |
155 |
80-50 |
132 |
77,5 |
M10x18 |
|
TNC 3_ |
62,5 |
125 |
190 |
112 |
30,5 |
216,5 |
159 |
346 |
100 |
220 |
180 |
70-70 |
156 |
90 |
M12x18 |
|
TNC 4_ |
70 |
140 |
240 |
140 |
32,5 |
250 |
200 |
425 |
123 |
270 |
210 |
70-70 |
183 |
105 |
M16x20 |
|
TNC 5_ |
100 |
200 |
310 |
165 |
38 |
301 |
247 |
541 |
165 |
330 |
243 |
80-80 |
210 |
121,5 |
M16x20 |

|
d7 |
D1 |
F |
GA |
R |
N |
S |
T |
O1 |
O2 |
X |
V |
M |
K2 |
||
|---|---|---|---|---|---|---|---|---|---|---|---|---|---|---|---|
|
TNC 1_ |
45 |
30 |
8 |
33,5 |
158 |
31 |
14 |
12 |
47,5 |
25 |
14 |
2 |
25 |
94 |
M8x12 |
|
TNC 2_ |
50 |
35 |
10 |
38,3 |
170 |
32 |
14 |
12 |
53 |
23 |
14 |
3 |
25 |
102 |
M8x18 |
|
TNC 3_ |
55 |
40 |
12 |
43,1 |
218 |
41 |
14 |
16 |
65 |
39 |
21 |
3,5 |
25 |
120 |
M12x18 |
|
TNC 4_ |
70 |
50 |
14 |
53,7 |
278 |
49 |
22 |
20 |
72 |
47 |
23 |
3 |
20 |
142 |
M12x20 |
|
TNC 5_ |
85 |
60 |
18 |
64,4 |
346 |
62 |
22 |
26 |
89 |
56 |
21 |
4 |
22 |
175 |
M16x24 |





