Шарико-винтовые передачи (ШВП)

Шарико-винтовая передача включает ходовой винт, а также гайки с интегрированными шариками и механизмом их возврата. Как правило, шарико-винтовые передачи находят свое эффективное применение в промышленных машинах и агрегатах и прецизионном оборудовании. Передачи отвечают за преобразование вращательного движения в поступательное и наоборот. Данный процесс обеспечивается при высоком КПД и точности. За счет минимальных потерь, приходящихся на трение, оборудование характеризуется высокой жесткостью и плавным ходом. В силу того, что шарико-винтовые передачи разрабатываются высококвалифицированными инженерами, в их качестве и долговечности работы сомневаться не приходится. Подтверждением тому многочисленные положительные отзывы покупателей и заказчиков.
Цена: от 950 руб.
Общее описание
Технические характеристики оборудования:


|
Тип |
Параметры |
Общие показатели |
|||||||||||||
|---|---|---|---|---|---|---|---|---|---|---|---|---|---|---|---|
|
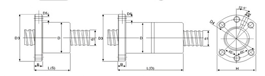
D1 |
ph |
DW |
n |
D |
D3 |
D4 |
H |
B |
L(S) |
L(D) |
DM |
D5 |
Са |
Coa |
|
|
SFU |
16 |
5 |
3.175 |
3 |
28 |
48 |
36 |
40 |
10 |
44 |
83 |
M6 |
6.6 |
780 |
1790 |
|
SFU |
20 |
5 |
3.175 |
3 |
36 |
58 |
47 |
44 |
10 |
44 |
83 |
M6 |
6.6 |
1130 |
2380 |
|
SFU |
25 |
5 |
3.175 |
3 |
40 |
62 |
51 |
48 |
10 |
44 |
86 |
M6 |
6.6 |
1280 |
3110 |
|
SFU |
32 |
5 |
3.175 |
4 |
50 |
80 |
65 |
52 |
12 |
52 |
97 |
M6 |
9 |
1450 |
4150 |
|
SFU |
40 |
5 |
3.175 |
4 |
63 |
93 |
78 |
70 |
14 |
55 |
101 |
M6 |
9 |
1610 |
5330 |
|
SFU |
50 |
5 |
3.175 |
4 |
71 |
110 |
90 |
85 |
14 |
55 |
102 |
M6 |
9 |
2225 |
6150 |
|
SFU |
20 |
10 |
3.969 |
2 |
36 |
58 |
47 |
44 |
12 |
60 |
|
M6 |
6.6 |
1950 |
4240 |
|
SFU |
25 |
10 |
3.5 |
2х2 |
20 |
62 |
51 |
48 |
10 |
61 |
71 |
M6 |
6.6 |
2440 |
4070 |
|
SFE |
10 |
10 |
3.175 |
3,5 |
32 |
53 |
42 |
38 |
10 |
50 |
|
M6 |
4.5 |
1260 |
3080 |
|
SFE |
16 |
16 |
3 |
2х1,175 |
32 |
53 |
42 |
38 |
10 |
39 |
|
M6 |
4.5 |
650 |
1280 |
|
SFE |
20 |
20 |
3.5 |
4х0,88 |
39 |
58 |
50 |
41 |
10 |
47 |
|
M6 |
5.5 |
1780 |
4280 |
|
SFE |
25 |
40 |
3.175 |
4х0,75 |
38 |
58 |
48 |
41 |
10 |
41 |
|
M6 |
5.5 |
1470 |
3350 |